
技术参数
电源电压:AC220V-240V 50-60Hz
负载电流:3A
待机功耗:<1.5W
温度设定范围:5-35℃
控温精度:±1℃
颜色和外壳材质:白色PC/ABS阻燃材料
面壳外形尺寸:86*86*13mm
电源壳外形尺寸:62*52*28mm
宣传视频
二、功能与显示说明

操作说明:
开关机键:控制面板开机或者关机
模式键:切换手动模式和时段模式
切换键:可进入时间设置选项或时段参数设置选项
加数键:通过此按键可修改温度等参数
减数键:通过此按键可修改温度等参数
开机状态下: 1.长按模式键3秒切换手动模式和定时模式。
2.非定时编程参数设置时短按切换键,可进入时间设置选项并选择设置项;定时模式下,长按3秒可以进入定时参数设置选项,通过短按切换键选择设置项。
3.防冻开启状态,关机状态液晶左下角显示内容(图标显示);防冻关闭状态,关机状态液晶左下角显示内容(图标不显示)
4.同时按下模式键和切换键,设置儿童锁,解锁和上锁相同。
5.联动:当设置温度高于室内温度时,继电器会有输出联动继电器延时30秒输出。
5.联动:设置温度高于室内温度时继电器有输出,时间设定:无论在手动还是定时模式下,短按切换键切换面板的时(24小时制)、分、星期,加减键设置数值(短按逐一增减,长按3秒滚动增减)定时时段设定:在定时模式下,长按切换键3秒,进入定时时段设定,week1~5, 时段1:先分钟1秒频率闪烁,在按切换键时钟 1秒频率闪烁,按切换键设定温度值1秒闪烁,以上闪烁可通过加减键设置值;时段2~时段6依次设置;Week 6、7 时段操作同week 1~5;
Week6、7时段操作同week1-5; WEEK 1、2、3、4、5为一组设定默认值

Week6、7为一组设定默认值

以上操作15秒,无任何操作退出到显示界面,并关闭背光。
关机状态下: 长按模式键3秒进入高级模式,按模式键切换H1~H6,按加减键设置数值,在高级模式中,15秒未操作任何按键,退出设置模式
H1 修正温度 -9-9℃
H2 启动温差 0-5℃
H3 防冻温度 2-5℃(默认2度)
H4 防冻启停 00关闭 01开启(默认开启)
H5 设置温度上限 35-90℃(默认35℃)
H6 设备地址:1-32
关机状态下: 注:同时按下加号键和减号键5秒,温控器恢复出厂设置
注:该产品未使用存储电池,产品时间在断电后重启恢复为默认时间,需重新设定当前时间。部分功能不在断电记忆范围内。
安装注意事项三、安装示意图:


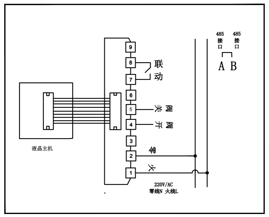
四、接线图:

警告:接线一定按照电气接线图正确接线。切勿将水、泥浆等杂质进入温控器内,否则将会造成器件损坏!
注意: 本温控器可用于满负荷运行的工作状态的海拔高度为2500米以下;在海拔高于2500米低于4200米的地方使用时外接负载的额定功率应小于或等于本品的额定功率的80%。
注意事项: 1.必须断电后进行安装操作;
2.请严格按照接线图正确接线或专业电工安装;
3.安装高度宜为1.4m;
4.不可将温控器安装在冷热源附近,并且避免阳光直射;
5.切勿让水、水泥浆、金属颗粒等杂物进入温控器,否则会导致温 控器的损坏;
6.本温控器只能按照本公司规定的方法使用,未授权的修改和使用 非本公司所出售或推荐的零配件都有可能导致本系统出现故障,甚 至损坏;
7.本说明书若有进一步修改或更改,恕不另行通知;
8.本温控器高级设置在专业人士指导下进行修改或联系当地经销商,请不要随意调整原有参数(部分功能已在出厂前设置完成),以免 破坏已设定的参数,影响您的正常使用。
感谢您使用本公司的产品,如有问题请联系当地经销商。