
电源电压:220VAC-240VAC 50/60Hz
负载电流:10A应用水地暖
本机功耗:<1.5W
温度设定范围:内控温范围:5-35℃
控温精度:±1℃
外壳材质:PC/ABS阻燃材料
面板外形尺寸:86*86*13mm
电源盒外形尺寸:62*46*28mm
功能和接线视频
宣传视频
工作原理


功能与显示说明:

加热标识:当显示该图标时,表示温控器处于加热状态下。
在家模式标识:当显示该图标时,表示房间温度为默认27℃,调整范围为5-35℃
离家模式标识:当显示该图标时,表示房间温度为默认5℃,调整范围为3-10℃
睡眠模式标识:当显示该图标时,表示房间温度为默认25℃,调整范围为10-28℃
按键功能与操作:
1.6个功能按键,从左到右分别为开关机键、M键、F键、睡眠键、上键、下键;
2.通电,按一次开关机键进行开机,再按一次进行关机;
3.在开机状态,按3个键,切换工作模式,共3个工作模式,M键表示在家模式,F键表示离家模式,时钟键表示睡眠模式
4.在家模式下,可以按上,下键手动切换控制温度;其他几个模式正常运行时,能手动调整温度;
5.温度:在家模式,默认27℃,调整范围5℃-35℃;离家模式,默认5℃,调整范围3℃-10℃;睡眠模式,默认25℃,调整范围10℃-28℃。
6.在开机控温时,当室内温度小于设定温度,2个的差值大于等于启动温差,负载启动;室内温度等于或大于设定温度,负载关闭;
7.防冻:关机状态下,当室温低于防冻温度,负载打开;高于防冻温度时,负载关闭;
8.背光:当有按键按下时,背光亮起,无按键操作时,延时25秒熄灭;
9.掉电记忆:所有设定的参数和控制状态,均在背光熄灭后,自动保存;重新来电后,自动恢复运行。
在关机状态下:短按M键进入高级设置,短按M键进行切换设置选项,加减键调整设置参数
H1修正温度 -8--- 8℃(默认-2℃)
H2启动温差 0--- 5℃(默认0℃)
H3防冻温度 2--- 5℃(默认3℃)
H4输出延时 2--- 9秒(默认3秒)
安装注意事项
1、在安装之前请切记关闭电源;
2、在安装前请在室内找一个温度稳定,没有靠近进门处或空调装置的地方;
3、在安装之前,必须查看室内系统电路图,根据后壳标贴接线图连接电路,如果你的系统与后壳标贴连接图不相符,请与经销 商联系或请教资深电工师;
4、在安装时请严格按照后壳标贴连接图进行接线;
5、不要用力拉排线,否则会造成损坏;
6、安装过程中注意不要对面板液晶屏施加压力或者划伤液晶屏
7、安装过程中注意不要磕碰线路板元器件,不要摔落或使后壳变形
8、安装过程中如果采用硬塑线,必须事先折弯合适角度;
9、在施工期间安装时请不要落入施工泥浆中,以免损坏整个产品
1 0、根据详细的电流说明使用,禁止超载。
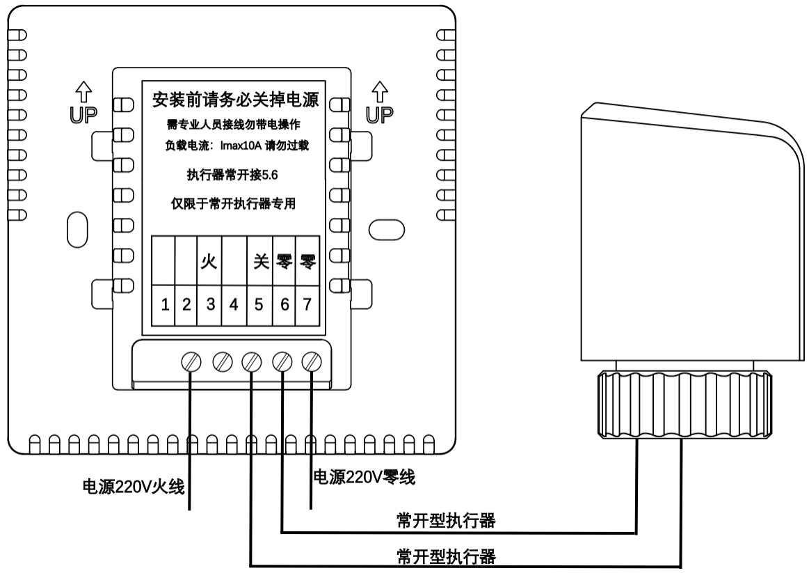
接线图:实际以底壳接线图为准常开执行器接线方式:

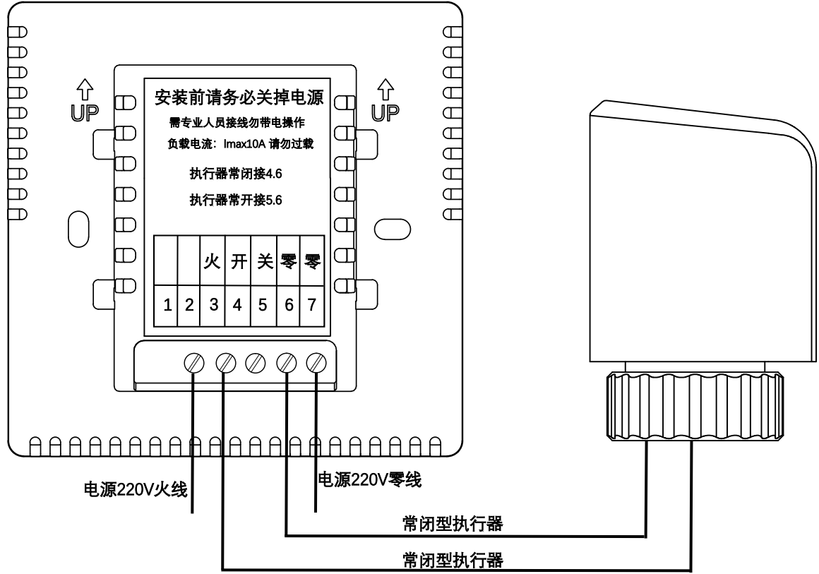
常闭执行器接线方式

警告:接线一定按照电气接线图正确接线。切勿将水、泥浆等杂质进入温控器内,否则将会造成器件损坏!
安装步骤:

第一步:将产品从包装盒P E袋中取出, 用3 . 5 m m宽的一字螺丝刀沿斜面伸到卡槽中4 m m ,待撬卡钩。

第二步:用手稍用力向上搬开卡钩脱离卡槽,分开面板和电源盒。

第三步:将分开的电源盒按照正确的接线图接好,在确认无误后将电源盒嵌入8 6暗盒中。

第四步:取出包装盒的两个螺钉将电源盒固定打紧在8 6暗盒上。

第五步:将控制面板与电源盒排线相连(注意:请不要用力拉排线,以 免排线拉断)。

第六步:以3 0度角将控制面板挂在两个卡钩上,注意一定要挂到位。

第七步:稍用力按下侧两边,卡住面板上壳(安装完毕)。