

电源电压: 220VAC,50/60HZ
负载电流: 3A
功耗:<1.5W
传感器类型: NTC
精度: ±1℃
温度设定范围: 5℃~35℃



功能和接线视频
宣传视频
基础操作:
通电后,屏幕及背光2秒后熄灭,设备自动初始化完成
开关机流程:
开机:短按电源键进行开机,屏幕亮起显示当前温度
关机:再次短按电源键进行关机,屏幕熄灭
温度设定:
开机状态下:
按▲键:设定温度升高1℃(最高35℃)
按▼键:设定温度降低℃(最低5℃)
模式切换:
开机后短按模式键切换工作模式:
暖风:制冷模式(默认)
冷风:制热模式
风速选择:
在开机状态下,按风速键可选择高速、中速、低速及自动风速模式。自动模式下:
当室温与设定温度差≥3℃时,风速为高速;当温差为2℃ 时,风速为中速;当温差为0-1℃时,风速为低速。
定时与睡眠功能:
长按模式键3秒,进入定时开时间设置(时间闪烁),按▲▼键调节时间,再次短按模式键切换到定时关时间设置,
设置好时间无操作息屏后进行自动保存定时开关设置,若未息屏再次短按模式键进入睡眠模式(睡眠文字闪烁),
无操作后保存睡眠模式,若再次短按则退出睡眠模式。
模式规则:
1.制冷+睡眠模式:
当室温达到设定值或运行1小时→设定温度自动升高1℃继续运行1小时后→设定温度再升高1C
总计运行8小时后停止→8小时内累计升高2℃
2.制热+睡眠模式:
当室温达到设定值或运行1小时→设定温度自动降低2℃继续运行1小时后→设定温度再降低3℃
总计运行8小时后停止→8小时内累计降低5℃
高级设置::设备需关机状态下长按模式键加入高级设置)
H1 温度修正(-9℃~9℃)
H2 启动温差(0℃~5℃)
H3 输出延迟(1~30秒)
在关机状态下,同时短按模式和风速键可恢复出厂设置。
安装步骤:
1.用一字螺丝刀插入底部缝隙撬开前面板。
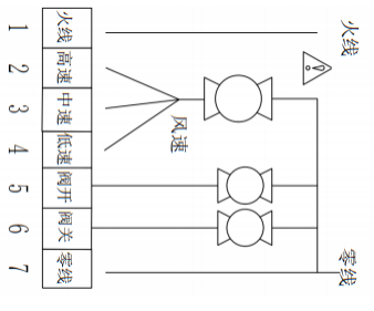
2.接线操作按接线图连接线缆后拧紧螺丝(需专业电工操作)。
3.固定底盒用螺丝将电源板固定在86型墙盒内。
4.将导电针插入插座,对准卡槽轻压贴合。注意:先对准上部
两个卡扣,再扣紧下部卡扣

请参照接线原理图与接线图连接负载风机盘管单元与电源(需由专业人员进行安装接线)

用平口螺丝刀插入卡扣孔,将控制面板与电源板分离。

打开面板与电源板后,取下面板(禁止直接用力拉扯排线,易导致断裂)。

将电源板固定在86型底盒内,使用附带的专用螺丝固定

重新插接面板线路,安装面板。安装时需注意卡扣方向先对准上部两个卡扣位置
,再扣紧下部两个卡扣位置。安装完成后,即可接通电源使用。

请由专业技术人员在断电状态下按照接线图进行安装。严禁将水、
泥沙或其他杂质进入温控器内部,否则将导致设备损坏。